不朽情缘官网股份烧结机余热锅炉工艺流程和特点
1、工艺流程
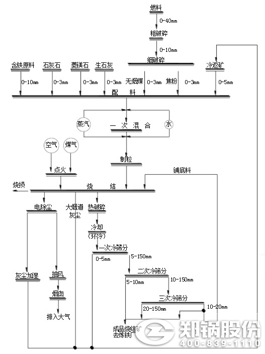
烧结厂工艺流程是从原料进厂到制品输出,包括铁料、熔剂、燃料的接受、 燃料破碎、配料、混淆、制粒、烧结、冷却、整粒及制品烧结矿输出等全部工艺历程。工艺流程见图1。

工艺流程图1
2 工艺特点
主要工艺特点如下:
(1) 接纳Φ750³700对辊破碎机及Φ900³700四辊破碎机组成的开路破碎系统:包管四辊破碎机的给料粒度适宜,且能沿辊面宽度均匀给料,从而可以获得3~0mm粒级含量抵达90~95%的燃料,满足烧结生产所需;同时,也适应使用来料粒度较粗的燃料。
(2) 接纳自动重量配料:种种原料均自行组成闭环定量调理, 再通过总设定系统与逻辑控制系统,组成自动重量配料系统。其特点是设备运行平稳、可靠,配料精度高,使烧结矿及格率、一级品率均有较大幅度提高,同时可减少烧结燃料耗量,降低高炉焦比。
(3) 接纳厚料层烧结,将降低燃耗及烧结矿中的FeO含量,提高烧结矿强度。
(4) 接纳串联3台椭圆振动筛整粒筛分流程。该流程的特点是:
a) 流程简单,安排紧凑,在一个厂房内即可完玉成部冷矿筛分作业,占地少,省投资,省人员;
b) 烧结矿转运次数减少,冷返矿量降低;
c) 检修便当;
d) 更重要的是5mm筛孔筛板因受大块烧结矿攻击,基本不梗塞。
(5) 接纳双层卸灰阀——胶带机处理大烟道灰尘,适应冬季严寒地区生产。
(6) 小格散料作为制品,加入整粒,提高了烧结矿制品率。
不朽情缘官网烧结冷却机余热锅炉是适用于钢铁行业烧结冷却机余热烟气的立式余热锅炉,乐成解决了困扰余热锅炉的积灰、磨损、漏风等问题,能够降低烧结工序能耗,增进能源节约,降低产品单位价格。







